松江HJ-9502-B防爆輸入模塊接線安裝技術

一、概述 HJ-9502-B 為防爆輸入模塊,防爆輸入模塊通過二根信號總線(S+,S-)和火災報警控制器連接,將易燃易爆 場所中信號閥、壓力開關、水流指示器等現場設備報警信號發送給報警控制器。本產品符合 GB3836.1-20 10《爆炸性環境 第 1 部分:設備 通用要求》及 GB3836.2-2010《爆炸性環境 第 2 部分:由隔爆外殼“d” 保護的設備》標準,防爆等級達到 ExdⅡCT6 Gb,適用于 1 區,2 區危險場所;ⅡA,ⅡB,ⅡC 類爆炸性氣體環 境。產品的具體選型使用按 有關標準執行。
二、主要技術參數
1、防爆標志:ExdⅡCT6Gb ;防爆證號:GYB16.1638X
2、溫度范圍:-10℃~50℃
3、濕度范圍:≤95%(40℃±2℃)
4、大氣壓力:80~110KPa
5、線 制:二總線
6、功 能:配接無源接點型報警裝置構成一個報警點
7、監視電流:<240μA
8、報警電流:5 mA
9、工作電壓:DC24V
10、外型尺寸:127x130x38 mm
11、安裝尺寸:盒體下側左右對稱距離為 94mm 的安裝口
12、重 量:0.8 Kg
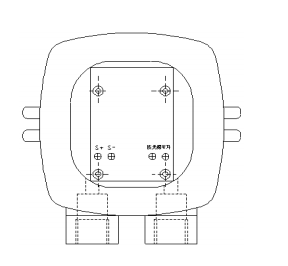
三、安裝與布線 安裝:根據現場情況用 M6 膨脹螺釘或 M6 螺釘通過模塊的安裝口將模塊防爆外殼固定在頂棚或纜槽、管 架上,連接電纜外徑為 7.5~8.5mm 的橡塑電纜,電纜的防爆進線口為 M20×1.5 螺紋,可與鍍鋅護管或 B NG15700 防爆撓管連接,也可以用防爆封口螺帽鎖緊。 模塊的布線:松開模塊防爆外殼的固定螺絲,打開模塊的隔爆腔,按照圖 HJ-9502-B 接線端子示意圖的接 線方法接好模塊,S+,S-端接火災報警控制器信號總線,外部報警設備的無源報警信號接無源常開端子。 連線接好后,設置模塊地址號,地址范圍 1~252,同一回路地址號 ,不得重號。然后蓋好防爆盒蓋, 緊固螺釘應均勻擰緊,注意防爆面不要夾雜導線或其它異物。
四、 地址寫入方法 使用編碼器寫地址時,將電子編碼器打開,即可進行地址的寫入操作,將數據線插入報警按鈕的 2×3 雙排插針,選擇“9000 系列產品”并確認;再選擇“地址編寫”并確認,輸入地址(1~252),按下“確認” 鍵,屏幕上“狀態”項顯示“成功”,表明相應的地址已被寫入;屏幕上“狀態”項顯示“等待”,表明 相應的地址未被寫入。
五、注意事項
1、嚴禁在易燃易爆場所帶電拆卸。
2、安裝時不要損傷防爆面,并保持其清潔。防爆面緊固螺釘應均勻擰緊, 注意防爆面不要夾雜導線或其 它異物。
3、探測總線應與強電磁場導體分開敷設,如無法避開,探測總線電纜應采用帶屏蔽線的電纜,并確保屏 蔽線接地良好。
4、要定期檢測模塊的性能是否完好, 如失效或損壞時要由專業人員進行維修。



蘇公網安備32058102002172號
客服1